Projekte
Labor für Physik
Projekte im Labor für Physik
Werden Räume von mehreren Personen gleichzeitig genutzt, sinkt im Laufe der Zeit bei fehlender Lüftung die Luftqualität durch organische Komponenten, die von diesen z.B. durch Atmung abgesondert werden. Schlechte Luft in Innenräumen führt zu Konzentrationsstörungen und Müdigkeit und erhöht auch die Ansteckungsgefahr durch evtl. erkrankte Personen. Der Kohlendioxidgehalt der Luft ist in diesen Fällen ein guter Indikator für die Luftqualität.
Zur Messung der Kohlendioxidkonzentration wird in diesem Projekt ein nichtdispersiver Infrarotsensor (NDIR) verwendet, der über die serielle Schnittstelle an einen Raspberry Pi angeschlossen ist. Im Display wird der aktuelle CO2-Gehalt der Luft, sowie der zeitliche Verlauf dargestellt. Die gemessenen Werte werden außerdem auf einem USB-Stick gespeichert. Übersteigt der CO2-Wert eine Schwelle (hier 800 ppm), wechselt die Schriftfarbe im Display auf Rot und zeigt so an, dass gelüftet werden sollte. Das Gehäuse wurde selbst entworfen und mit einem 3D-Drucker gedruckt.
Beschreibung laut Projektwochenübersicht:
"Ziel dieses Projektes ist der Bau einer Vorrichtung, die die Rotationsperiodendauer eines Kreisels berührungslos erfasst und auf einem LCD anzeigt. Realisiert werden soll eine magnetische Messmethode mittels Reed-Kontakt oder Hallsensor und einem am Kreisel befestigten Magneten. Je nach Kenntnisstand der Studierenden kann zur Steuerung entweder ein Mikrocontroller oder ein Raspberry Pi eingesetzt werden."
Aufgrund der unterschiedlichen Vorkenntnisse entschied sich die Gruppe dafür, einen Raspberry Pi einzusetzen.
Vorteile:
- Kurze Einarbeitungszeit
- Unkomplizierte Erweiterbarkeit, wenn später zusätzliche Aufgaben (z.B. Speicherung der Messwerte) realisiert werden sollen
Nachteile:
- Der Raspberry Pi ist für diese Aufgabe überdimensioniert
- Hochfahren bis zur Betriebsbereitschaft dauert ca. 2 min
Zwei wichtige Kriterien bei der Auswahl des passenden Sensors waren der Auslöseabstand zum Magneten und die Reproduzierbarkeit der Messwerte mit anderen Messmethoden (Lichtschranke, Oszilloskop). Hier schnitt ein Reed-Kontakt mit einem Auslöseabstand von ca. 2 cm bei den zur Verfügung stehenden Magneten am Besten ab.
Update 2019: Aufgrund der oben beschriebenen Nachteile, wurde ein Gerät auf Mikrocontroller Basis gebaut, das nun im Praktikum eingesetzt wird. Das Gehäuse wurde mit dem im Physik-Labor vorhandenen 3D-Drucker erstellt.
Ziel dieses Projektes war der Aufbau eines Systems, das in einer Endlos-Diashow Fotos und Videos von Experimenten des Physik Labors zeigt und damit Interessierte über das Physik-Praktikum des Studienbereichs EuI informiert.
Als Rechner wurde ein Minicomputer des Typs Raspberry Pi verwendet. Zu der Aufgabe gehörte sowohl die Zusammenstellung geeigneter Aufnahmen, als auch die Programmierung des Raspberry Pi. Zusätzlich wurde ein Bewegungsmelder integriert, damit Diashow und Monitor nur bei Anwesenheit von Personen in Betrieb sind.
Von einer Gruppe aus sechs Studierenden wurde ein Armband entwickelt, das mittels zweier Peltierelemente die Körperwärme in elektrische Energie umwandelt. Es wurde gezeigt, dass hiermit ein Elektromotor und eine LED betrieben werden können. Dieses Projekt wurde im Rahmen einer Projektwoche an der Fakultät Ingenieurwissenschaften und Informatik mit dem 1. Preis ausgezeichnet!
Das Bild zeigt das zu diesem Projekt erstellte Ausstellungsobjekt (Standort: Flur zum Hörsaal AA0025). Die Puppe trägt das entwickelte Armband am Oberarm. Die Körperwärme wird durch eine Heizfolie simuliert. Nach Druck auf einen Taster, der sich auf dem Bedienpult im Vordergrund befindet, wird die Heizfolie von Strom durchflossen und erwärmt sich langsam. Nach ca. 40 s, startet der blaue Ventilator und die rote LED am Oberarm beginnt zu leuchten.
Zielsetzung
Dieses Projekt wurde im Rahmen des Wahlpflicht-Moduls „Elektrotechnik–Projekt“ angeboten. Die Aufgabe war die Entwicklung eines Gerätes, das kontaktlos die Umdrehungsdauer eines Kreisels misst und ausschließlich durch Handwärme betrieben wird. Das Ziel war der Ersatz einer durch ein Netzgerät betriebenen Gabellichtschranke in einem Experiment des Physik Grundlagen-Praktikums.
Energy Harvesting
Die Nutzung von in der Umwelt vorhandenen auch kleinsten Energiemengen (z.B. aus Vibrationen von Motoren, Licht, Körperwärme) nennt man Energy Harvesting. Energy Harvesting ermöglicht es, bei vielfältigen Anwendungen auf den Einsatz von Netzgeräten, Batterien oder Akkus zu verzichten, den Wartungsaufwand erheblich zu reduzieren und somit Kosten zu sparen. Das Projekt zeigt eindrucksvoll, dass bei Verwendung energiesparender Komponenten nur die Wärme einer Hand ausreicht, um komplexe Funktionen zu realisieren.
Funktion des Gerätes
Das entwickelte Gerät reagiert auf Helligkeitsänderungen auf dem sich drehenden Objekt. Dabei wird keine zusätzliche Lichtquelle sondern nur das Umgebungslicht verwendet. Dieses wird vom Objekt reflektiert und vom Messinstrument mittels eines Fototransistors detektiert. Die Zeit zwischen zwei Übergängen von hell nach dunkel wird gemessen und als Umdrehungsdauer auf einem Display angezeigt.
Das zentrale Element des Gerätes ist ein Mikrocontroller Giant Gecko der Firma Silicon Labs. Er verarbeitet die Signale des Fototransistors, misst die Zeit zwischen zwei Verdunkelungen und steuert das Display an. Die Spannungsversorgung wird über ein Peltierelement, das die Handwärme in elektrische Energie umwandelt, realisiert. Dessen Ausgangsspannung wird durch einen Aufwärtswandler an den Mikrocontroller angepasst.
Update 2018
Da die oben beschriebene Methode sehr stark von der Art und Helligkeit des Umgebungslichtes abhängt, wurde ein Umbau auf eine magnetische Messung der Rotationsperiodendauer vorgenommen. Dafür wurde am Messgerät ein Reed-Kontakt installiert und der Kreisel mit zwei gegenüberliegenden Magneten versehen.
Update 2020
Für eine einfachere Handhabung wurde die Bauform des Gerätes verkleinert.
Jeder Studierende kennt wohl dieses Problem: Man baut einen Transistor aus einem Gerät aus oder sucht einen aus der Bastelkiste für ein neues Projekt . Wenn man die Typenbezeichnung kennt ist das kein Problem, aber oft ist das nicht so, und dann geht das Übliche mal wieder los: Typ und Pinbelegung des Transistors aus dem Internet oder einem Buch heraussuchen. Daher haben die Studenten in der Projektwoche einen solchen Halbleitertester entwickelt.
In diesem Projekt wurde eine über das Internet steuerbare Gebäudeüberwachung mit Hilfe eines 8-bit Mikrocontrollers am Beispiel eines Puppenhauses entwickelt und realisiert.
Im Rahmen der Projektwoche an der Fakultät IuI wurde vom Labor für Physik eine Projektaufgabe angeboten, bei der die Entwicklung und Realisierung einer kleinen Gebäudeüberwachung durchgeführt werden sollte. Um dieses Projekt zu realisieren, fiel die Wahl auf ein Ethernet-Webserverboard (ETH_M32_EX) der Fa. Radig Hard- und Software. Der AVR Webserver mit seinem ATmega644 und dem Mikrochip ENC28J60 Ethernet-Controller bietet eine Weboberfläche, die sich über die Netzwerkbuchse ansprechen lässt. Über eine serielle Schnittstelle hat man via Telnet Zugriff auf den Prozessor. Dieser nimmt Kommandos entgegen, z.B. zum Neustarten, zum Einstellen der IP-Adresse oder um den aktuelle Verbindungszustand zu beobachten. Durch den NTP-Client ist es möglich, von einem NTP-Server die aktuelle Uhrzeit zu beziehen. Mit dem AVR Webmodul und seinem offenen Quellcode in der Programmiersprache C lassen sich die üblichen Funktionen moderner μCs flexibel für eigene Projekte nutzen, also z.B. um Ausgänge zu schalten und Pins einzulesen.
Ziel des Projektes war eine Haussteuerung über eine Webseite für ein Modellhaus zu entwerfen und zu realisieren, wobei die Beleuchtung des Hauses geschaltet sowie Innen- und Außentemperatur des Hauses dargestellt und eine Kamera als „Türspion“ betrieben werden soll.
Presseberichte:
Artikel_INFHOS_1_2005.pdf
Gesamtausgabe_INFHOS_1_2005.pdf
Das Projekt zeichnet sich durch seine Modularität und gute Erweiterbarkeit aus. So soll diese Dokumentation zukünftigen Gruppen von Studenten auch ermöglichen, das Projekt auf Wunsch weiter zu führen oder zu modifizieren. Bei Interesse meldet euch bei Sascha In der Stroth.
Update 2016:
Im Rahmen einer Modernisierung erfolgte ein Austausch der Hardware. Ein Minicomputer vom Typ Raspberry Pi dient nun als Webserver sowie zur Ansteuerung der Beleuchtung, Messung der Temperatur und Darstellung des Istzustandes mittels Kamera.
Die Seite ist aus dem Hochschulnetz unter folgendem Link zu erreichen: rasp3.ecs.hs-osnabrueck.de/my-pi/Haussteuerung.php
Nutzer: pi
Kennwort: phaus
Der Hoverticker ist ein Display, um eine Laufschrift scheinbar in die Luft zu projizieren. Dies wird durch zwei LED-Reihen realisiert, die sich jeweils am Ende einer schnell rotierenden Stange befinden. Die Ansteuerung geschieht durch einen 8Bit-Mikrokontroller der AVR-Familie, welcher in der Mitte des Rotors befestigt ist.
Werden die LEDs im richtigen Moment ein- bzw. ausgeschaltet, schreiben sie aufgrund der Trägheit des menschlichen Auges scheinbar Zeichen aus leuchtenden Punkten oder horizontalen Linien in die Luft. Die Energieübertragung vom Stator auf den Rotor erfolgt induktiv. Über denselben Weg könnten auch Daten seriell übertragen und somit ein anderer Lauftext eingegeben werden. Das Display wird mittels einer Lichtschranke synchronisiert.
Der Hover-Ticker ist auch als Dauerausstellung im AA-Gebäude unmittelbar vor dem Physik-Hörsaal (AA0009) zu besichtigen.

Für den Elektronikinteressierten, der schon immer mal einen kleinen kostengünstigen Roboter bauen wollte, bieten wir hier eine interessante und kostengünstige Möglichkeit. Hierzu sind nur wenige Vorkenntnisse (C-Programmierung, Datenblatt ATmega8) und eine vergleichsweise geringe Werkzeugausstattung erforderlich. Die "Intelligenz" des Roboters steckt in dem Microcontroller ATMEGA8 von Atmel. In diesem mit 8 MHz betriebenen Controller lassen sich eigene Steuerprogramme ablegen. Der Antrieb erfolgt über kostengünstige Modellbau-Servos. Diese lassen sich einfach ansteuern und besitzen eine hohes Drehmoment. Der Roboter bietet dem Bastler viel Spielraum für die programmiertechnische Kreativität. Mit nur geringem Bauteileaufwand lässt sich ein einfacher Roboter aufbauen, der selbständig Hindernissen ausweichen kann. Zur Hinderniserkennung besitzt er Infrarotsensoren sowie mechanische Tastfühler. Optional kann der Roboter über eine handelsübliche TV-Fernbedienung nach dem RC5 Protokoll ferngesteuert werden. Der hier erstellte Roboter verfügt noch über eine zusätzliche Untergrund-Erkennungseinrichtung. Diese besteht aus drei farbigen LEDs und einer Photodiode, so dass er "lernen" kann, nur auf einem gewünschten Untergrund zu laufen.
Einen kleinen Vorgeschmack bekommt man in dem folgenden Video bzw. durch die unten abgelegte Präsentation:


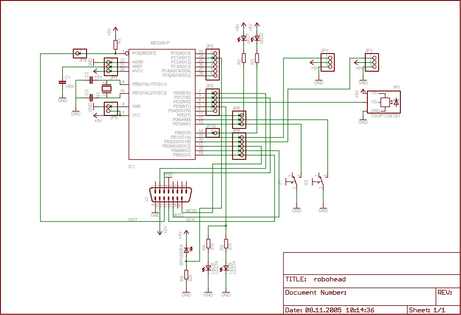
Schaltplan (Kopfplatine):
Layout (Kopfplatine):
Bauteilübersicht:
Mechanische Komponenten
- 2 Modellbauservos
- 1 Blechsteifen mit ca. 20cm x 18mm
- 1 Meter Schweißdraht 2mm stark
Elektronische Komponenten des Kopfteils (siehe Bild2)
- Platine siehe Schaltplan/Layout 70mmx50mm
- Atmel ATMEGA8 Microcontroller
- 8MHz Quarz
- 2x Keramikondensator 31pF
- 2 x Mikroschalter
- 2 x 3mm LED (Rot)
- 2 x Infrarot LED 5mm LD274
- 1 x Infrarot Photodiode SFH203FA
- 1 x RC5 Decoder TSOP1736
- 1 x Subd15 Stecker Printmontage
- 1 x 28 Pin IC-Sockel
- 6 x 1/4Watt Metallschichtwiderstand
- 1 x 100nF Keramikkondensator
- 2 x 3er Stiftleiste
- 2 x Batteriehalter 2AA (Mignon)
- ca. 20cm Leitung

Ziel dieser Projektwoche war es, einen lauffähigen Roboter mit sechs Beinen zu konstruieren. Jedes Bein des Roboters sollte zudem drei Freiheitsgrade besitzen und jeweils über eine eigene dezentrale "Intelligenz" in Form eines Mikrocontrollers verfügen. Den eigentlichen "Kopf" des Roboters bildete ein weiterer Mikrocontroller, der die Aufgabe hatte, die intelligenten Beine zu koordinieren.
Am Anfang stand ein Brainstorming, bei dem viele Ideen und Realisierungs-Möglichkeiten erörtert wurde. Wie werden die Beine aussehen, was setzt man zur Steuerung ein (Servos, Schrittmotoren), etc.
Letztendlich einigte man sich auf den im Bild 1 zu erkennenden ersten Entwurf.
Die ersten Schritte bestanden dann darin, die Mechanik der Beine zu entwickeln. Dazu wurden Berechnungen und theoretische Überlegungen angestellt, bis letztendlich der erste Prototyp eines Beines entstanden war.
Video:
PICT0257.avi
Pressebericht:
Artikel_INFHOS_1_2005.pdf